Ikonka języka

pl

Ikonka zamknięcia

versions of website:

Opis produktu

Strona TESTOWA!

Strona TESTOWA!

Budowa

Wirnik

Silnik

Obudowa

Strona TESTOWA!

  • Strona TESTOWA!

Strona TESTOWA!

Dane techniczne

Specyfikacja

Nr cat.NameCurrent at 3~400V
[A]
RPM
[min -1]
Maximum airflow
[m³/h]
Maximum static pressure
[Pa]
Sound level*
[dB(A)]
Mass**
[kg]
102001KA710/1,1-4/3A42.451445172052550.00
102002KA710/1,5-4/3A43.171450198122670.00
102003KA710/2,2-4/3A44.761445242292600.00
102004KA710/2,2-4/5A44.761445207093680.00
102005KA710/3,0-4/5A46.181435245733760.00
102006KA710/4,0-4/5A48.151435276263600.00
102007KA710/0,55-6/3A41.5188514919980.00
102008KA710/0,75-6/3A41.93935168511040.00
102009KA710/1,1-6/5A42.69945180381560.00
102010KA800/1,5-4/3A43.171450215843670.00
102011KA800/2,2-4/3A44.761445272712970.00
102012KA800/3,0-4/3A46.181435300363010.00
102013KA800/4,0-4/5A48.151435324344170.00
102014KA800/5,5-4/5A4[B]6.331465367404460.00
102015KA800/7,5-4/6A48.151460421734890.00
102016KA800/11,0-4/12A412.281460432566760.00
102017KA800/0,55-6/3A41.51885151841060.00
102018KA800/0,75-6/3A41.93935177171240.00
102019KA800/1,1-6/5A42.69945215071850.00
102020KA800/1,5-6/5A43.59949240361930.00
102021KA800/2,2-6/9A45.09955266012450.00
102022KA800/3,0-6/10A46.84968282242730.00
102023KA800/1,1-8/12A42.96685203921490.00
102024KA900/2,2-4/3A44.761445285084750.00
102025KA900/3,0-4/3A46.181435338673360.00
102026KA900/4,0-4/5A44.781450319357470.00
102027KA900/5,5-4/4A46.331465426664510.00
102029KA900/7,5-4/5A48.151460484965000.00
102030KA900/11,0-4/5A412.281460556335080.00
102031KA900/0,75-6/3A41.93935201421810.00
102032KA900/1,1-6/5A42.69945227262390.00
102033KA900/1,5-6/3A43.59949280101530.00
102034KA900/2,2-6/5A45.09955314372130.00
102035KA900/3,0-6/5A46.84968368612190.00
102036KA900/4,0-6/10A48.99968378713060.00
102037KA900/5,5-6/10A46.97968401533060.00
102038KA900/0,75-8/6A42.15685209541250.00
102039KA900/1,1-8/10A42.96685220791470.00
102040KA900/1,5-8/10A43.88695254561620.00
102041KA1000/3,0-4/3A46.181435359114610.00
102042KA1000/4,0-4/5A44.781450360695820.00
102043KA1000/5,5-4/5A46.331465438645190.00
102044KA1000/7,5-4/5A48.151460515075390.00
102045KA1000/11,0-4/5A412.281460626475610.00
102046KA1000/0,75-6/5A41.93935178321960.00
102047KA1000/1,1-6/5A42.69945236602460.00
102048KA1000/1,5-6/5A43.59949287292440.00
102049KA1000/2,2-6/5A45.09955338262260.00
102050KA1000/3,0-6/5A46.84968392962420.00
102051KA1000/4,0-6/5A48.99968462272490.00
102052KA1000/5,5-6/10A46.97968464133490.00
102053KA1000/0,75-8/5A42.15685240491200.00
102054KA1000/1,1-8/10A42.96685226571590.00
102055KA1000/1,5-8/10A43.88695271171650.00
102056KA1000/2,2-8/10A45.46710343141890.00
102057KA1120/1,5-6/3A43.59949356802000.00
102058KA1120/2,2-6/3A45.09955416082300.00
102059KA1120/3,0-6/5A46.84968438732750.00
102060KA1120/4,0-6/5A48.99968486552790.00
102061KA1120/5,5-6/5A46.97968588672940.00
102062KA1120/7,5-6/6A49.15968667553350.00
102063KA1120/7,5-4/4A48.151460603935780.00
102064KA1120/11,0-4/5A412.281460673816270.00
102065KA1120/0,75-8/4A42.15685249481650.00
102066KA1120/1,1-8/6A42.96685294731810.00
102067KA1120/1,5-8/5A43.88695349411440.00
102068KA1120/2,2-8/5A45.46710432931580.00
102069KA1120/3,0-8/6A47.10710490161800.00
102070KA1120/0,75-10/5A41.4055027403930.00
102071KA1120/1,1-10/6A41.80565321681090.00
102072KA1120/1,5-10/6A42.80565391621120.00
102073KA1120/2,2-10/10A44.20560421111400.00
102074KA1250/7,5-4/3A48.151460703665130.00
102075KA1250/11,0-4/4A412.281460778276900.00
102076KA1250/15,0-4/4A4[B]16.801470827156370.00
102077KA1250/18,5-4/6A4[B]20.4014758693711860.00
102078KA1250/22,0-4/6A4[B]23.6014759231712580.00
102079KA1250/30,0-4/6A4[B]31.9014801090418640.00
102080KA1250/37,0-4/12A4[B]40.70148010408111850.00
102081KA1250/45,0-4/12A4[B]47.00148011322712400.00
102082KA1250/55,0-4/12A4[B]56.57148013280812760.00
102083KA1250/3,0-6/3A46.84968507912160.00
102084KA1250/4,0-6/5A48.99968535333220.00
102085KA1250/5,5-6/5A46.97968654093230.00
102086KA1250/7,5-6/6A4[B]8.92970719383680.00
102087KA1250/11,0-6/6A4[B]12.74970847713720.00
102088KA1250/15,0-6/6A4[B]16.99978997453600.00
102089KA1250/18,5-6/12A4[B]20.84980970695710.00
102090KA1250/22,0-6/12A4[B]24.659801073325800.00
102091KA1250/1,1-8/3A42.96685362271410.00
102092KA1250/1,5-8/5A43.88695390192070.00
102093KA1250/2,2-8/5A45.46710478921750.00
102094KA1250/3,0-8/6A47.10710495251960.00
102095KA1250/4,0-8/6A4[B]5.41725571402080.00
102096KA1250/5,5-8/12A4[B]7.21725596402920.00
102097KA1250/7,5-8/12A4[B]9.58725680463070.00
102098KA1250/11,0-8/12A4[B]13.85735809023270.00
102099KA1250/0,75-10/5A41.40550306141300.00
102100KA1250/1,1-10/5A41.80565379161100.00
102101KA1250/1,5-10/5A42.80565430291120.00
102102KA1250/2,2-10/10A44.20560425411670.00
102103KA1250/4,0-10/12A4[B]7.90570570141930.00
102104KA1400/18,5-4/3A420.4014751120447240.00
102105KA1400/22,0-4/4A423.6014751153718570.00
102106KA1400/30,0-4/6A431.90148011990812590.00
102107KA1400/37,0-4/6A440.70148012976314760.00
102108KA1400/45,0-4/6A447.00148015067110020.00
102109KA1400/55,0-4/12A456.57148013388720070.00
102110KA1400/5,5-6/4A46.97968690914180.00
102111KA1400/7,5-6/4A48.92970820773800.00
102112KA1400/11,0-6/6A412.74970924314130.00
102113KA1400/15,0-6/12A416.99978884747780.00
102114KA1400/18,5-6/6A420.849801198944190.00
102115KA1400/18,5-6/12A420.84980967716150.00
102116KA1400/22,0-6/6A424.659801258074180.00
102117KA1400/22,0-6/12A424.659801119236350.00
102118KA1400/30,0-6/12A432.559801331426730.00
102119KA1400/2,2-8/4A45.46710506762250.00
102120KA1400/3,0-8/4A47.10710600772040.00
102121KA1400/4,0-8/4A45.41725696171830.00
102122KA1400/5,5-8/6A47.21725738082410.00
102123KA1400/7,5-8/6A49.58725836382400.00
102124KA1400/7,5-8/12A49.58725715913360.00
102125KA1400/11,0-8/12A413.85735896533670.00
102126KA1400/15,0-8/12A418.437301132513500.00
102127KA1400/4,0-10/12A47.90570608572150.00
102128KA1400/5,5-10/12A410.20575701362250.00
102129KA1400/7,5-10/12A412.60585855862270.00

Charakterystyka

4-P

6-P

8-P

10-P

RPM: 1445 | 102001 - KA710/1,1-4/3A4

RPM: 1450 | 102002 - KA710/1,5-4/3A4

RPM: 1445 | 102003 - KA710/2,2-4/3A4

RPM: 1445 | 102004 - KA710/2,2-4/5A4

RPM: 1435 | 102005 - KA710/3,0-4/5A4

RPM: 1435 | 102006 - KA710/4,0-4/5A4

RPM: 1450 | 102010 - KA800/1,5-4/3A4

RPM: 1445 | 102011 - KA800/2,2-4/3A4

RPM: 1435 | 102012 - KA800/3,0-4/3A4

RPM: 1435 | 102013 - KA800/4,0-4/5A4

RPM: 1465 | 102014 - KA800/5,5-4/5A4[B]

RPM: 1460 | 102015 - KA800/7,5-4/6A4

RPM: 1460 | 102016 - KA800/11,0-4/12A4

RPM: 1445 | 102024 - KA900/2,2-4/3A4

RPM: 1435 | 102025 - KA900/3,0-4/3A4

RPM: 1450 | 102026 - KA900/4,0-4/5A4

RPM: 1465 | 102027 - KA900/5,5-4/4A4

RPM: 1460 | 102029 - KA900/7,5-4/5A4

RPM: 1460 | 102030 - KA900/11,0-4/5A4

RPM: 1435 | 102041 - KA1000/3,0-4/3A4

RPM: 1450 | 102042 - KA1000/4,0-4/5A4

RPM: 1465 | 102043 - KA1000/5,5-4/5A4

RPM: 1460 | 102044 - KA1000/7,5-4/5A4

RPM: 1460 | 102045 - KA1000/11,0-4/5A4

RPM: 1460 | 102063 - KA1120/7,5-4/4A4

RPM: 1460 | 102064 - KA1120/11,0-4/5A4

RPM: 1460 | 102074 - KA1250/7,5-4/3A4

RPM: 1460 | 102075 - KA1250/11,0-4/4A4

RPM: 1470 | 102076 - KA1250/15,0-4/4A4[B]

RPM: 1475 | 102077 - KA1250/18,5-4/6A4[B]

RPM: 1475 | 102078 - KA1250/22,0-4/6A4[B]

RPM: 1480 | 102079 - KA1250/30,0-4/6A4[B]

RPM: 1480 | 102080 - KA1250/37,0-4/12A4[B]

RPM: 1480 | 102081 - KA1250/45,0-4/12A4[B]

RPM: 1480 | 102082 - KA1250/55,0-4/12A4[B]

RPM: 1475 | 102104 - KA1400/18,5-4/3A4

RPM: 1475 | 102105 - KA1400/22,0-4/4A4

RPM: 1480 | 102106 - KA1400/30,0-4/6A4

RPM: 1480 | 102107 - KA1400/37,0-4/6A4

RPM: 1480 | 102108 - KA1400/45,0-4/6A4

RPM: 1480 | 102109 - KA1400/55,0-4/12A4

RPM: 885 | 102007 - KA710/0,55-6/3A4

RPM: 935 | 102008 - KA710/0,75-6/3A4

RPM: 945 | 102009 - KA710/1,1-6/5A4

RPM: 885 | 102017 - KA800/0,55-6/3A4

RPM: 935 | 102018 - KA800/0,75-6/3A4

RPM: 945 | 102019 - KA800/1,1-6/5A4

RPM: 949 | 102020 - KA800/1,5-6/5A4

RPM: 955 | 102021 - KA800/2,2-6/9A4

RPM: 968 | 102022 - KA800/3,0-6/10A4

RPM: 935 | 102031 - KA900/0,75-6/3A4

RPM: 945 | 102032 - KA900/1,1-6/5A4

RPM: 949 | 102033 - KA900/1,5-6/3A4

RPM: 955 | 102034 - KA900/2,2-6/5A4

RPM: 968 | 102035 - KA900/3,0-6/5A4

RPM: 968 | 102036 - KA900/4,0-6/10A4

RPM: 968 | 102037 - KA900/5,5-6/10A4

RPM: 935 | 102046 - KA1000/0,75-6/5A4

RPM: 945 | 102047 - KA1000/1,1-6/5A4

RPM: 949 | 102048 - KA1000/1,5-6/5A4

RPM: 955 | 102049 - KA1000/2,2-6/5A4

RPM: 968 | 102050 - KA1000/3,0-6/5A4

RPM: 968 | 102051 - KA1000/4,0-6/5A4

RPM: 968 | 102052 - KA1000/5,5-6/10A4

RPM: 949 | 102057 - KA1120/1,5-6/3A4

RPM: 955 | 102058 - KA1120/2,2-6/3A4

RPM: 968 | 102059 - KA1120/3,0-6/5A4

RPM: 968 | 102060 - KA1120/4,0-6/5A4

RPM: 968 | 102061 - KA1120/5,5-6/5A4

RPM: 968 | 102062 - KA1120/7,5-6/6A4

RPM: 968 | 102083 - KA1250/3,0-6/3A4

RPM: 968 | 102084 - KA1250/4,0-6/5A4

RPM: 968 | 102085 - KA1250/5,5-6/5A4

RPM: 970 | 102086 - KA1250/7,5-6/6A4[B]

RPM: 970 | 102087 - KA1250/11,0-6/6A4[B]

RPM: 978 | 102088 - KA1250/15,0-6/6A4[B]

RPM: 980 | 102089 - KA1250/18,5-6/12A4[B]

RPM: 980 | 102090 - KA1250/22,0-6/12A4[B]

RPM: 968 | 102110 - KA1400/5,5-6/4A4

RPM: 970 | 102111 - KA1400/7,5-6/4A4

RPM: 970 | 102112 - KA1400/11,0-6/6A4

RPM: 978 | 102113 - KA1400/15,0-6/12A4

RPM: 980 | 102114 - KA1400/18,5-6/6A4

RPM: 980 | 102115 - KA1400/18,5-6/12A4

RPM: 980 | 102116 - KA1400/22,0-6/6A4

RPM: 980 | 102117 - KA1400/22,0-6/12A4

RPM: 980 | 102118 - KA1400/30,0-6/12A4

RPM: 685 | 102023 - KA800/1,1-8/12A4

RPM: 685 | 102038 - KA900/0,75-8/6A4

RPM: 685 | 102039 - KA900/1,1-8/10A4

RPM: 695 | 102040 - KA900/1,5-8/10A4

RPM: 685 | 102053 - KA1000/0,75-8/5A4

RPM: 685 | 102054 - KA1000/1,1-8/10A4

RPM: 695 | 102055 - KA1000/1,5-8/10A4

RPM: 710 | 102056 - KA1000/2,2-8/10A4

RPM: 685 | 102065 - KA1120/0,75-8/4A4

RPM: 685 | 102066 - KA1120/1,1-8/6A4

RPM: 695 | 102067 - KA1120/1,5-8/5A4

RPM: 710 | 102068 - KA1120/2,2-8/5A4

RPM: 710 | 102069 - KA1120/3,0-8/6A4

RPM: 685 | 102091 - KA1250/1,1-8/3A4

RPM: 695 | 102092 - KA1250/1,5-8/5A4

RPM: 710 | 102093 - KA1250/2,2-8/5A4

RPM: 710 | 102094 - KA1250/3,0-8/6A4

RPM: 725 | 102095 - KA1250/4,0-8/6A4[B]

RPM: 725 | 102096 - KA1250/5,5-8/12A4[B]

RPM: 725 | 102097 - KA1250/7,5-8/12A4[B]

RPM: 735 | 102098 - KA1250/11,0-8/12A4[B]

RPM: 710 | 102119 - KA1400/2,2-8/4A4

RPM: 710 | 102120 - KA1400/3,0-8/4A4

RPM: 725 | 102121 - KA1400/4,0-8/4A4

RPM: 725 | 102122 - KA1400/5,5-8/6A4

RPM: 725 | 102123 - KA1400/7,5-8/6A4

RPM: 725 | 102124 - KA1400/7,5-8/12A4

RPM: 735 | 102125 - KA1400/11,0-8/12A4

RPM: 730 | 102126 - KA1400/15,0-8/12A4

RPM: 550 | 102070 - KA1120/0,75-10/5A4

RPM: 565 | 102071 - KA1120/1,1-10/6A4

RPM: 565 | 102072 - KA1120/1,5-10/6A4

RPM: 560 | 102073 - KA1120/2,2-10/10A4

RPM: 550 | 102099 - KA1250/0,75-10/5A4

RPM: 565 | 102100 - KA1250/1,1-10/5A4

RPM: 565 | 102101 - KA1250/1,5-10/5A4

RPM: 560 | 102102 - KA1250/2,2-10/10A4

RPM: 570 | 102103 - KA1250/4,0-10/12A4[B]

RPM: 570 | 102127 - KA1400/4,0-10/12A4

RPM: 575 | 102128 - KA1400/5,5-10/12A4

RPM: 585 | 102129 - KA1400/7,5-10/12A4

RPM: 1445 102001 KA710/1,1-4/3A4
RPM: 1450 102002 KA710/1,5-4/3A4
RPM: 1445 102003 KA710/2,2-4/3A4
RPM: 1445 102004 KA710/2,2-4/5A4
RPM: 1435 102005 KA710/3,0-4/5A4
RPM: 1435 102006 KA710/4,0-4/5A4
RPM: 1450 102010 KA800/1,5-4/3A4
RPM: 1445 102011 KA800/2,2-4/3A4
RPM: 1435 102012 KA800/3,0-4/3A4
RPM: 1435 102013 KA800/4,0-4/5A4
RPM: 1465 102014 KA800/5,5-4/5A4[B]
RPM: 1460 102015 KA800/7,5-4/6A4
RPM: 1460 102016 KA800/11,0-4/12A4
RPM: 1445 102024 KA900/2,2-4/3A4
RPM: 1435 102025 KA900/3,0-4/3A4
RPM: 1450 102026 KA900/4,0-4/5A4
RPM: 1465 102027 KA900/5,5-4/4A4
RPM: 1460 102029 KA900/7,5-4/5A4
RPM: 1460 102030 KA900/11,0-4/5A4
RPM: 1435 102041 KA1000/3,0-4/3A4
RPM: 1450 102042 KA1000/4,0-4/5A4
RPM: 1465 102043 KA1000/5,5-4/5A4
RPM: 1460 102044 KA1000/7,5-4/5A4
RPM: 1460 102045 KA1000/11,0-4/5A4
RPM: 1460 102063 KA1120/7,5-4/4A4
RPM: 1460 102064 KA1120/11,0-4/5A4
RPM: 1460 102074 KA1250/7,5-4/3A4
RPM: 1460 102075 KA1250/11,0-4/4A4
RPM: 1470 102076 KA1250/15,0-4/4A4[B]
RPM: 1475 102077 KA1250/18,5-4/6A4[B]
RPM: 1475 102078 KA1250/22,0-4/6A4[B]
RPM: 1480 102079 KA1250/30,0-4/6A4[B]
RPM: 1480 102080 KA1250/37,0-4/12A4[B]
RPM: 1480 102081 KA1250/45,0-4/12A4[B]
RPM: 1480 102082 KA1250/55,0-4/12A4[B]
RPM: 1475 102104 KA1400/18,5-4/3A4
RPM: 1475 102105 KA1400/22,0-4/4A4
RPM: 1480 102106 KA1400/30,0-4/6A4
RPM: 1480 102107 KA1400/37,0-4/6A4
RPM: 1480 102108 KA1400/45,0-4/6A4
RPM: 1480 102109 KA1400/55,0-4/12A4
RPM: 885 102007 KA710/0,55-6/3A4
RPM: 935 102008 KA710/0,75-6/3A4
RPM: 945 102009 KA710/1,1-6/5A4
RPM: 885 102017 KA800/0,55-6/3A4
RPM: 935 102018 KA800/0,75-6/3A4
RPM: 945 102019 KA800/1,1-6/5A4
RPM: 949 102020 KA800/1,5-6/5A4
RPM: 955 102021 KA800/2,2-6/9A4
RPM: 968 102022 KA800/3,0-6/10A4
RPM: 935 102031 KA900/0,75-6/3A4
RPM: 945 102032 KA900/1,1-6/5A4
RPM: 949 102033 KA900/1,5-6/3A4
RPM: 955 102034 KA900/2,2-6/5A4
RPM: 968 102035 KA900/3,0-6/5A4
RPM: 968 102036 KA900/4,0-6/10A4
RPM: 968 102037 KA900/5,5-6/10A4
RPM: 935 102046 KA1000/0,75-6/5A4
RPM: 945 102047 KA1000/1,1-6/5A4
RPM: 949 102048 KA1000/1,5-6/5A4
RPM: 955 102049 KA1000/2,2-6/5A4
RPM: 968 102050 KA1000/3,0-6/5A4
RPM: 968 102051 KA1000/4,0-6/5A4
RPM: 968 102052 KA1000/5,5-6/10A4
RPM: 949 102057 KA1120/1,5-6/3A4
RPM: 955 102058 KA1120/2,2-6/3A4
RPM: 968 102059 KA1120/3,0-6/5A4
RPM: 968 102060 KA1120/4,0-6/5A4
RPM: 968 102061 KA1120/5,5-6/5A4
RPM: 968 102062 KA1120/7,5-6/6A4
RPM: 968 102083 KA1250/3,0-6/3A4
RPM: 968 102084 KA1250/4,0-6/5A4
RPM: 968 102085 KA1250/5,5-6/5A4
RPM: 970 102086 KA1250/7,5-6/6A4[B]
RPM: 970 102087 KA1250/11,0-6/6A4[B]
RPM: 978 102088 KA1250/15,0-6/6A4[B]
RPM: 980 102089 KA1250/18,5-6/12A4[B]
RPM: 980 102090 KA1250/22,0-6/12A4[B]
RPM: 968 102110 KA1400/5,5-6/4A4
RPM: 970 102111 KA1400/7,5-6/4A4
RPM: 970 102112 KA1400/11,0-6/6A4
RPM: 978 102113 KA1400/15,0-6/12A4
RPM: 980 102114 KA1400/18,5-6/6A4
RPM: 980 102115 KA1400/18,5-6/12A4
RPM: 980 102116 KA1400/22,0-6/6A4
RPM: 980 102117 KA1400/22,0-6/12A4
RPM: 980 102118 KA1400/30,0-6/12A4
RPM: 685 102023 KA800/1,1-8/12A4
RPM: 685 102038 KA900/0,75-8/6A4
RPM: 685 102039 KA900/1,1-8/10A4
RPM: 695 102040 KA900/1,5-8/10A4
RPM: 685 102053 KA1000/0,75-8/5A4
RPM: 685 102054 KA1000/1,1-8/10A4
RPM: 695 102055 KA1000/1,5-8/10A4
RPM: 710 102056 KA1000/2,2-8/10A4
RPM: 685 102065 KA1120/0,75-8/4A4
RPM: 685 102066 KA1120/1,1-8/6A4
RPM: 695 102067 KA1120/1,5-8/5A4
RPM: 710 102068 KA1120/2,2-8/5A4
RPM: 710 102069 KA1120/3,0-8/6A4
RPM: 685 102091 KA1250/1,1-8/3A4
RPM: 695 102092 KA1250/1,5-8/5A4
RPM: 710 102093 KA1250/2,2-8/5A4
RPM: 710 102094 KA1250/3,0-8/6A4
RPM: 725 102095 KA1250/4,0-8/6A4[B]
RPM: 725 102096 KA1250/5,5-8/12A4[B]
RPM: 725 102097 KA1250/7,5-8/12A4[B]
RPM: 735 102098 KA1250/11,0-8/12A4[B]
RPM: 710 102119 KA1400/2,2-8/4A4
RPM: 710 102120 KA1400/3,0-8/4A4
RPM: 725 102121 KA1400/4,0-8/4A4
RPM: 725 102122 KA1400/5,5-8/6A4
RPM: 725 102123 KA1400/7,5-8/6A4
RPM: 725 102124 KA1400/7,5-8/12A4
RPM: 735 102125 KA1400/11,0-8/12A4
RPM: 730 102126 KA1400/15,0-8/12A4
RPM: 550 102070 KA1120/0,75-10/5A4
RPM: 565 102071 KA1120/1,1-10/6A4
RPM: 565 102072 KA1120/1,5-10/6A4
RPM: 560 102073 KA1120/2,2-10/10A4
RPM: 550 102099 KA1250/0,75-10/5A4
RPM: 565 102100 KA1250/1,1-10/5A4
RPM: 565 102101 KA1250/1,5-10/5A4
RPM: 560 102102 KA1250/2,2-10/10A4
RPM: 570 102103 KA1250/4,0-10/12A4[B]
RPM: 570 102127 KA1400/4,0-10/12A4
RPM: 575 102128 KA1400/5,5-10/12A4
RPM: 585 102129 KA1400/7,5-10/12A4

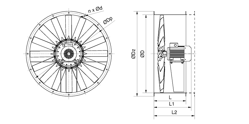
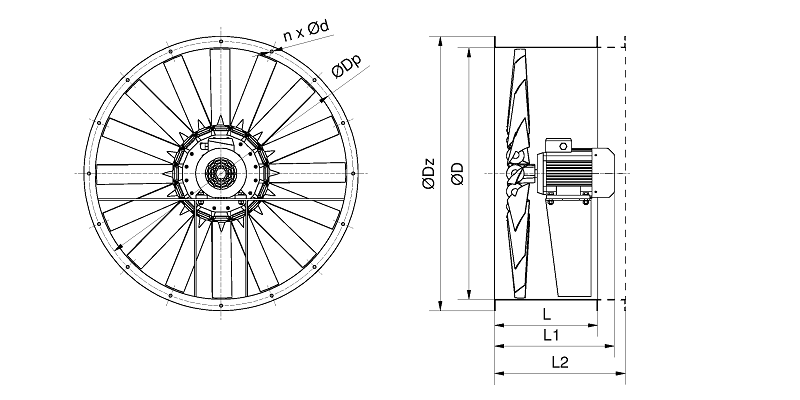
Wymiary

Wymiary

dimensions diagram
Nr kat.NazwaL1ϕDzL2LnϕDpϕd
102001KA710/1,1-4/3A44104955257608001212
102002KA710/1,5-4/3A44104955257608001212
102003KA710/2,2-4/3A44104955257608001212
102004KA710/2,2-4/5A44104955257608001212
102005KA710/3,0-4/5A44104955257608001212
102006KA710/4,0-4/5A44104955257608001212
102007KA710/0,55-6/3A44104955257608001212
102008KA710/0,75-6/3A44104955257608001212
102009KA710/1,1-6/5A44104955257608001212
102010KA800/1,5-4/3A44104755258508901612
102011KA800/2,2-4/3A44104865258508901612
102012KA800/3,0-4/3A44104865258508901612
102013KA800/4,0-4/5A44104865258508901612
102014KA800/5,5-4/5A4[B]4105736408508901612
102015KA800/7,5-4/6A44106016408508901612
102016KA800/11,0-4/12A44106016408508901612
102017KA800/0,55-6/3A4
102018KA800/0,75-6/3A44104475258508901612
102019KA800/1,1-6/5A44104755258508901612
102020KA800/1,5-6/5A44104865258508901612
102021KA800/2,2-6/9A44104955258508901612
102022KA800/3,0-6/10A44105736408508901612
102023KA800/1,1-8/12A44104865258508901612
Planetfan